
发卖:19224886408
发卖:17346546283
传统手工艺:18611287598
传真机:010-68465926
Q Q:3226344213
邮件:info@xiangcunart.cn
的位置:广州市海淀区大慧寺5号北区20号楼一点105室

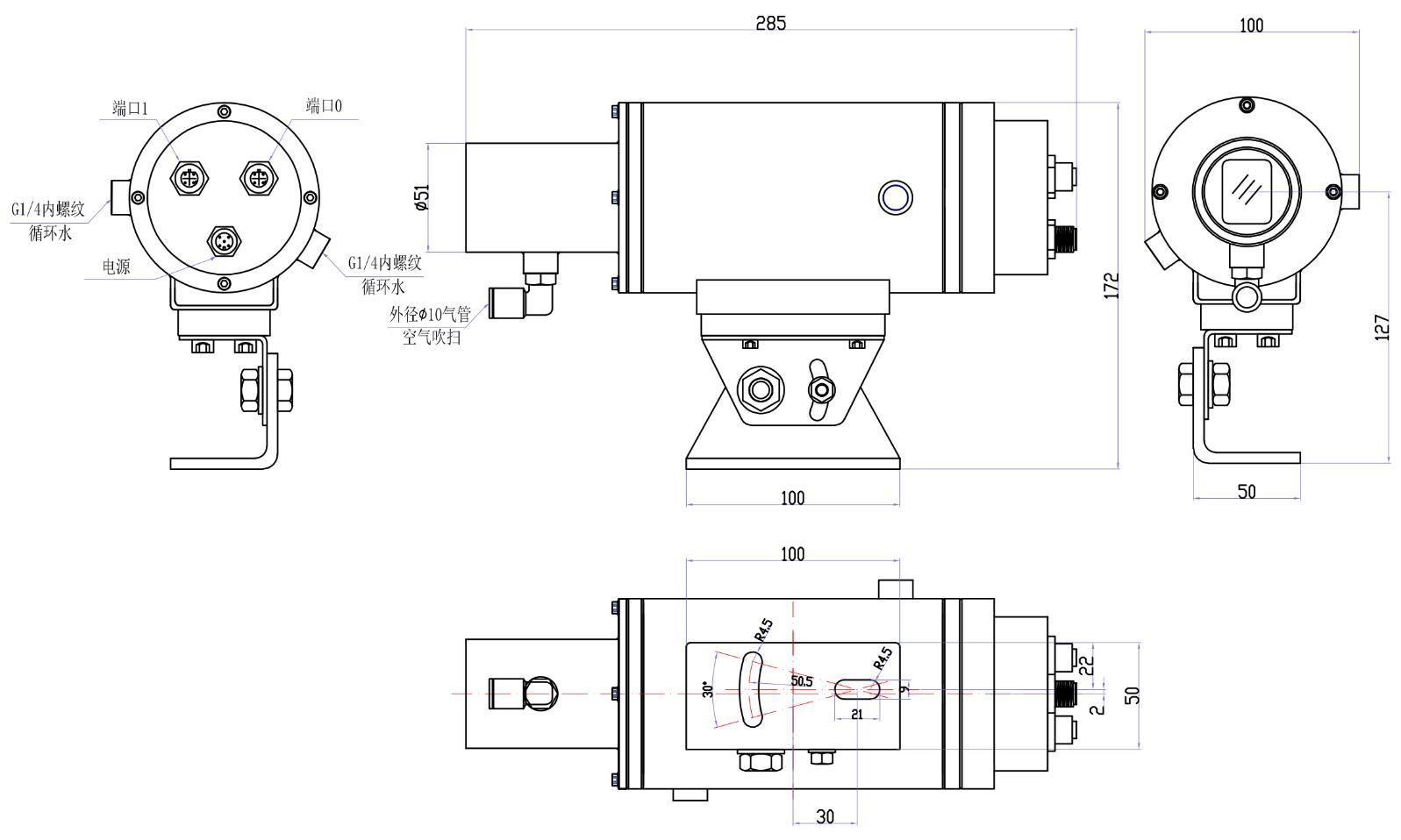
HMLDM-SJ20HT-PN型低温激光测距仪
时候:2025-11-22 06:43

一、概述:
HMLDM-SJ20HT-PN型超高温智能机械测距仪赛丽石使用于超高温液态、药液的实力地位、尽寸、高速的侧量。依靠过程中 profinet通信设备体例将数据源发送高于一切位设备系。● 丈(♋zhang)量低温物体(ti),能坚持很高的丈🥃(zhang)量精度(du)和靠(kao)得住性
● 丈🌊(zhang)量(liang)精度±1mm,🎃分(fen)辩(bian)率0.1mm
● 利ᩚᩚᩚᩚᩚᩚᩚᩚᩚ𒀱ᩚᩚᩚ(li)用(yong)白色(se)可(ke)见激(ji)光束(shu),丈(zhang)量规模可(ke)达20米
● 规范的profinet接口,矫(jiao)捷靠得住
● 不锈钢外(wai)壳,可通水(shui)、气(qi)停止冷却
二、手艺数据:
三、形状尺寸:
四、可选附件:
下一篇:低温激光测距仪 上一篇:加热炉钢坯地位检测器



